Мы используем cookie для наилучшего представления нашего сайта. Подробнее об этом в Политике конфиденциальности.
Ок

Щелково

Ваш город:
Щелково (Московская область)?
Нет
Да
Каталог
Каталог Написать в WhatsApp
Мотоэкипировка

Корпус коробки передач (приводной вал) (1.83: 1 передаточное отношение) 2-Х ТАКТНОГО ПЛМ MERCURY 50EO Серийный номер от 0T980000 до 0T999999

Корпус коробки передач (приводной вал) (1.83: 1 передаточное отношение) 2-Х ТАКТНОГО ПЛМ MERCURY 50EO Серийный номер от 0T980000 до 0T999999 в Щёлково: актуальный каталог, цены, фото, описание. Купите корпус коробки передач (приводной вал) (1.83: 1 передаточное отношение) 2-х тактного плм mercury 50eo серийный номер от 0t980000 до 0t999999 в кредит – оформите заявку онлайн за 1 минуту!

Оригинальные запчасти

Артикул НАИМЕНОВАНИЕ Кол-во деталей в узле Примечание Наличие Цена Аналоги Фото
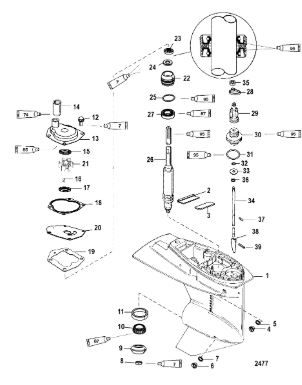
1 821306T26 Редуктор в сборе (GEAR HSG-BLACK)

Под заказ

1

Под заказ

уточнить

Купить
2 821306T28 Редуктор в сборе (GEAR HSG-L-BLACK)

Под заказ

1

Под заказ

уточнить

Купить
3 821306T12 Корпус редуктора (GEAR HSG-BASIC-BL)

Под заказ

1

Под заказ

уточнить

Купить
4 818226A1 Пластина (PLATE KIT-FILLER)

Под заказ

1

Под заказ

уточнить

Купить
5 79953Q04 Болт дренажный 0.375-16х0.25 (SCREW KIT @2)

Под заказ

1

Под заказ

уточнить

Купить
6 8M0058389 Болт (SCREW KIT @2)

Под заказ

1

Под заказ

уточнить

Купить
7 191833 Прокладка дренажного болта редуктора F80

Под заказ

1

Под заказ

уточнить

Купить
8 55910 Гайка (NUT @5)

Под заказ

1

Под заказ

уточнить

Купить
9 822161T2 Шестерня (GEAR-PINION)

Под заказ

1

Под заказ

уточнить

Купить
10 821321A2 Подшипник конусный (BEARING KIT)

Под заказ

1

Под заказ

уточнить

Купить
11 821351A3 Корпус крыльчатки (HOUSING-UPPER W/P)

Под заказ

1

Под заказ

уточнить

Купить
12 8235471 Трубка гидрозатвора (SEAL-WATER TUBE)

Под заказ

1

Под заказ

уточнить

Купить
13 8M0032838 Штифт (KEY @5)

Под заказ

1

Под заказ

уточнить

Купить
14 866451 Шайба (WASHER)

Под заказ

1

Под заказ

уточнить

Купить
15 822189 Прокладка (GASKET)

Под заказ

1

Под заказ

уточнить

Купить
16 822217 Прокладка (GASKET)

Под заказ

1

Под заказ

уточнить

Купить
17 8213542 Зеркало помпы (FACEPLATE)

Под заказ

1

Под заказ

уточнить

Купить
18 8508910 Крыльчатка водяного насоса (IMPELLER-WATER PU)

Под заказ

1

Под заказ

уточнить

Купить
19 821307A2 Основание водной помпы (BASE KIT-W/P)

Под заказ

1

Под заказ

уточнить

Купить
20 821309 Сальник (SEAL)

Под заказ

1

Под заказ

уточнить

Купить
21 821310 Сальник (SEAL)

Под заказ

1

Под заказ

уточнить

Купить
22 821308 Уплотнительное кольцо (O RING)

Под заказ

1

Под заказ

уточнить

Купить
23 822466A1 Приводной вал (D'SHAFT ASSY-15IN)

Под заказ

1

Под заказ

уточнить

Купить
24 822159T1 Приводной вал (D'SHAFT ASSY-LONG)

Под заказ

1

Под заказ

уточнить

Купить
25 821311 Шариковый подшипник (BEARING-BALL)

Под заказ

1

Под заказ

уточнить

Купить
26 823548T CABLE TIE

Под заказ

1

Под заказ

уточнить

Купить
27 822158 Уплотнитель (BOOT-SHIFT SHAFT)

Под заказ

1

Под заказ

уточнить

Купить
28 821827 Корпус с сальником штока (RETAINER-SHIFT)

Под заказ

1

Под заказ

уточнить

Купить
29 26855 Уплотнительное кольцо резиновое (O RING @4)

Под заказ

1

Под заказ

уточнить

Купить
30 85594 Уплотнительное кольцо резиновое (O RING@5)

Под заказ

1

Под заказ

уточнить

Купить
31 814803 Шайба (WASHER)

Под заказ

1

Под заказ

уточнить

Купить
32 822453A1 Приводной вал (SHAFT ASY-S-SHIFT)

Под заказ

1

Под заказ

уточнить

Купить
33 821319A1 SHIFT SHAFT

Под заказ

1

Под заказ

уточнить

Купить
34 400212 Гайка (NUT)

Под заказ

1

Под заказ

уточнить

Купить
35 29245 Шайба (WASHER @10)

Под заказ

1

Под заказ

уточнить

Купить
36 85593 Шпонка (PIN-ROLL)

Под заказ

1

Под заказ

уточнить

Купить
37 8213161 Кулачок (CAM-SHIFT)

Под заказ

1

Под заказ

уточнить

Купить
38 822369 Шпонка (PIN-COIL)

Под заказ

1

Под заказ

уточнить

Купить
39 828553A97 Набор прокладок 40/50(3 цил) топл. (GASKET SET)

Под заказ

1

Под заказ

уточнить

Купить
40 823547A2 Комплект сальников (SEAL KIT-GEAR HSG)

Под заказ

1

Под заказ

уточнить

Купить
41 821354A2 Ремкомплект помпы (REPAIR KIT-W/P)

Под заказ

1

Под заказ

уточнить

Купить

Нулевая цена не означает отсутствие товара. Оформите заказ, и менеджер сообщит вам цену и наличие товара, предварительно запросив их у поставщика

Главная Магазины
Корзина0
Профиль